In a mobile environment, you can move left and right to see the contents (tables).
| モータ品番 | 6ZWWC20 | ||
|---|---|---|---|
| 極対数 | - | 1 | |
| 相間抵抗 | Ω | 5.9 | |
| 相間インダクタンス | mH | 0.04 | |
| 巻線接続方式 | - | デルタ結線 | |
| 絶縁クラス | - | B | |
| 定格運転方式 | - | S2 | |
| 絶縁耐圧 | - | 300VAC/1KHz/1mA/1s | |
| 絶縁抵抗 | - | 100MΩ/300VDC | |
| 質量 | g | 3 | |
| 定格電圧 | V | 6 | |
| 定格出力 | W | 1 | |
| 定格トルク | mN·m | 0.3 | |
| 定格回転数 | RPM | 32000 | |
| 定格電流 | A | 0.46 | |
| 無負荷回転数 | RPM | 48500 | |
| 無負荷電流 | A | 0.09 | |
| モータ効率 | % | 37 | |
| 騒音 (周囲雑音20dB、距離1m) |
dB | <50 | |
| 熱抵抗 (無負荷) |
K/W | 39.9 | |
| 周囲温度 | ℃ | 22.3 | |
| 最大巻線温度 | ℃ | 63 | |
| トルク定数 | mN·m/A | 0.65 | |
| 逆起電力定数 - ピーク値 |
V/Krpm | 0.1 | |
| 逆起電力定数 - 実効値 |
V/Krpm | 0.07 | |
| ピークトルク | mN·m | 0.66 | |
| ピーク電流 | A | 1 | |
| ロータ慣性 | g·cm² | 0.005 | |
| 機械時定数 | ms | 6.92 | |
| エンドベル | - | ステンレス鋼 | |
| ベアリング | - | 深溝玉軸受 | |
| マグネット | - | 焼結NdFeB | |
| 回転シャフト | - | 炭素鋼 | |
モバイル環境では、左右にスクロールして内容をご確認いただけます。
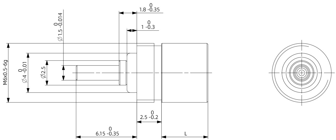
| ステージ | - | 1段 | 2段 | 3段 |
|---|---|---|---|---|
| 減速比 | X : 1 | 3.9 | 15 | 57 |
| 最大バックラッシュ | ° | 1.8 | 2.0 | 2.2 |
| 最大連続出力電力 | W | 0.65 | 0.4 | 0.2 |
| 最大瞬間出力電力 | W | 0.8 | 0.5 | 0.25 |
| 最大連続入力回転数 | rpm | 20000 | 20000 | 20000 |
| 最大瞬間入力回転数 | rpm | 25000 | 25000 | 25000 |
| 最大連続トルク | N.m | 0.002 | 0.005 | 0.01 |
| 最大瞬間トルク | N.m | 0.005 | 0.01 | 0.02 |
| 最大効率 | % | 88 | 77 | 68 |
| 重量 | g | 1.6 | 2 | 2.4 |
| 減速機長さL | mm | 4.7 | 7.2 | 9.7 |
Silent
精密歯車加工技術をベースに、安定したトルク伝達と低騒音を同時に実現した高性能減速ソリューションです。多様なDINGS'モーターとの組み合わせが可能で、ロボット・自動化設備・精密機器など幅広い産業分野に対応できます。
各種スペックや減速比オプションは、以下のDKPSサイトをご確認ください。
DKPSで詳細を見る →