50mmフレームレスモータのステータおよびロータのモジュール設計と最適化されたスロット比により、モータのトルク密度が向上します。
ロータには広い内径スペースがあり、ステータは顧客による組み込み設置用に設計されており、取り付け構造や冷却システムを含む個別設計を可能にし、カスタムシステムに対する柔軟性を提供します。
最適化されたスロットとポールの組み合わせにより、モータのコギングトルクが低減され、スムーズな動作を実現します。
構造はコンパクトで高い統合性を持っています。
In a mobile environment, you can move left and right to see the contents (tables).
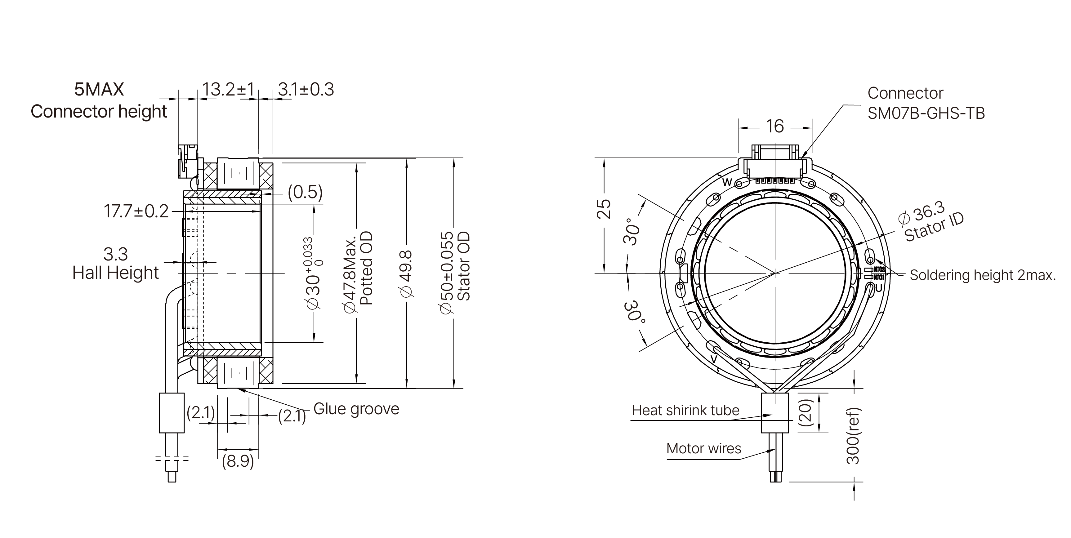
| モータ型番 | - | 50ZWC15X-1 | 50ZWC25X-1 | |
|---|---|---|---|---|
| ステータ外径 | mm | 50±0.031 | 50±0.031 | |
| ロータ内径 | mm | 30+0.033 | 30+0.033 | |
| 全長 (L) | mm | 13.2 | 19.5 | |
| 積層厚さ (L1) | mm | 8.9 | 15.2 | |
| ロータ長さ (L2) | mm | 17.7±0.2 | 24±0.2 | |
| スロット数 | - | 18 | 18 | |
| ポールペア | - | 10 | 10 | |
| 相間抵抗 | Ω | 0.62 | 0.6 | |
| 相間インダクタンス | mH | 0.44 | 0.45 | |
| 巻線接続 | - | スター結線 | スター結線 | |
| 絶縁クラス | - | F | F | |
| Duty種別 | - | S2 | S2 | |
| フィードバック方式 | - | ホールセンサ | ホールセンサ | |
| 整流角度 | - | 120° | 120° | |
| 絶縁耐圧 | - | 500VAC/1mA/1s | 500VAC/1mA/1s | |
| 絶縁抵抗 | - | 100 MΩ/500VDC | 100 MΩ/500VDC | |
| ステータ重量 | g | 77.5 | 124 | |
| ロータ重量 | g | 38 | 50 | |
| 無負荷回転数 | RPM | 6400 | 5000 | |
| 無負荷電流 | A | 0.4(REF) | 1.1(REF) | |
| 定格電圧 | VDC | 48 | 48 | |
| 定格出力 | W | 168 | 219 | |
| 定格トルク | N·m | 0.3 | 0.51 | |
| 定格回転数 | RPM | 5350 | 4100 | |
| 定格電流 | A | 4.4 | 5.65 | |
| トルク定数 | Nm/A | 0.074 | 0.092 | |
| Back-EMF定数 / 実効値 | Vrms/Krpm | 5.5 | 6.8 | |
| 最大トルク (peak) | N·m | 0.96 | 1.5 | |
| 最大電流 (peak) | A | 10.7 | 16.1 | |
| ロータ慣性 | g·cm² | 100 | 135 | |
In a mobile environment, you can move left and right to see the contents (tables).
| リードアウトタイプ | リードアウトカラー | 機能 | |
|---|---|---|---|
| UL1332 AWG20 | 黄 | U相 | |
| 赤 | V相 | ||
| 黒 | W相 | ||
