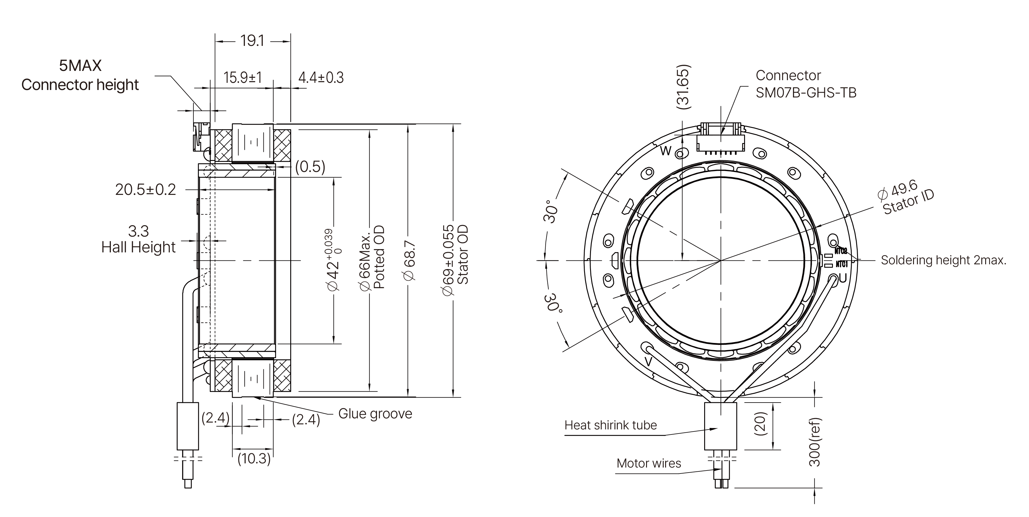
70mmフレームレスモータのステータとロータはモジュール設計が採用され、最適化されたスロット比によりモータのトルク密度が向上します。
ロータは大きな内径空間を持ち、ステータは顧客による埋め込み設置が可能な設計となっており、取り付け構造や冷却システムを含むカスタマイズ設計を容易にし、カスタムシステムにおける柔軟性を高めます。
最適化されたスロット・ポールの組み合わせにより、モータのコギングトルクを低減し、スムーズなモータ動作を実現します。
構造がコンパクトで高い統合性を備えています。
In a mobile environment, you can move left and right to see the contents (tables).
| モータ型番 | - | 70ZWC20X-1 | 70ZWC25X-1 | |
|---|---|---|---|---|
| ステータ外径 | mm | 69±0.037 | 69±0.037 | |
| ロータ内径 | mm | 42+0.039 | 42+0.039 | |
| 全長 (L) | mm | 15.9 | 21.5 | |
| 積層厚さ (L1) | mm | 10.3 | 15.9 | |
| ロータ長さ (L2) | mm | 20.5±0.2 | 26±0.2 | |
| スロット数 | - | 18 | 18 | |
| ポールペア | - | 10 | 10 | |
| 相間抵抗 | Ω | 0.32 | 0.22 | |
| 相間インダクタンス | mH | 0.52 | 0.35 | |
| 巻線接続 | - | スター結線 | スター結線 | |
| 絶縁クラス | - | F | F | |
| Duty種別 | - | S2 | S2 | |
| フィードバック方式 | - | ホールセンサ | ホールセンサ | |
| 整流角度 | - | 120° | 120° | |
| 絶縁耐圧 | - | 500VAC/1mA/1s | 500VAC/1mA/1s | |
| 絶縁抵抗 | - | 100MΩ/500VDC | 100MΩ/500VDC | |
| ステータ重量 | g | 167.5 | 224 | |
| ロータ重量 | g | 72 | 90 | |
| 無負荷回転数 | RPM | 4350 | 4400 | |
| 無負荷電流 | A | 0.5(REF) | 1.3(REF) | |
| 定格電圧 | VDC | 48 | 48 | |
| 定格出力 | W | 216 | 456 | |
| 定格トルク | N·m | 0.55 | 1.3 | |
| 定格回転数 | RPM | 3750 | 3350 | |
| 定格電流 | A | 5.4 | 11.4 | |
| トルク定数 | Nm/A | 0.109 | 0.13 | |
| Back-EMF定数 / 実効値 | Vrms/Krpm | 8.1 | 9.6 | |
| 最大トルク (peak) | N·m | 1.65 | 2.6 | |
| 最大電流 (peak) | A | 14.2 | 21 | |
| ロータ慣性 | g·cm² | 358 | 455 | |
In a mobile environment, you can move left and right to see the contents (tables).
| リードアウトタイプ | リードアウト色 | 機能 | |
|---|---|---|---|
| UL1332 AWG20 | 黄色 | U相 | |
| 赤色 | V相 | ||
| 黒色 | W相 | ||
In a mobile environment, you can move left and right to see the contents (tables).
| リードアウトタイプ | リードアウト色 | 機能 | |
|---|---|---|---|
| UL1332 AWG18 | 黄色 | U相 | |
| 赤色 | V相 | ||
| 黒色 | W相 | ||