85mmフレームレスモータのステータとロータのモジュール設計、および最適化されたスロット比により、モータのトルク密度が向上します。
ロータは大口径の内径スペースを持ち、ステータはお客様による埋め込み設置を想定して設計されており、取り付け構造や冷却システムを含むパーソナライズされた設計が可能で、カスタムシステムに柔軟性を提供します。
最適化されたスロット-ポールの組み合わせにより、モータのコギングトルクが低減され、スムーズな動作を実現します。
構造はコンパクトで高い統合性を備えています。
In a mobile environment, you can move left and right to see the contents (tables).
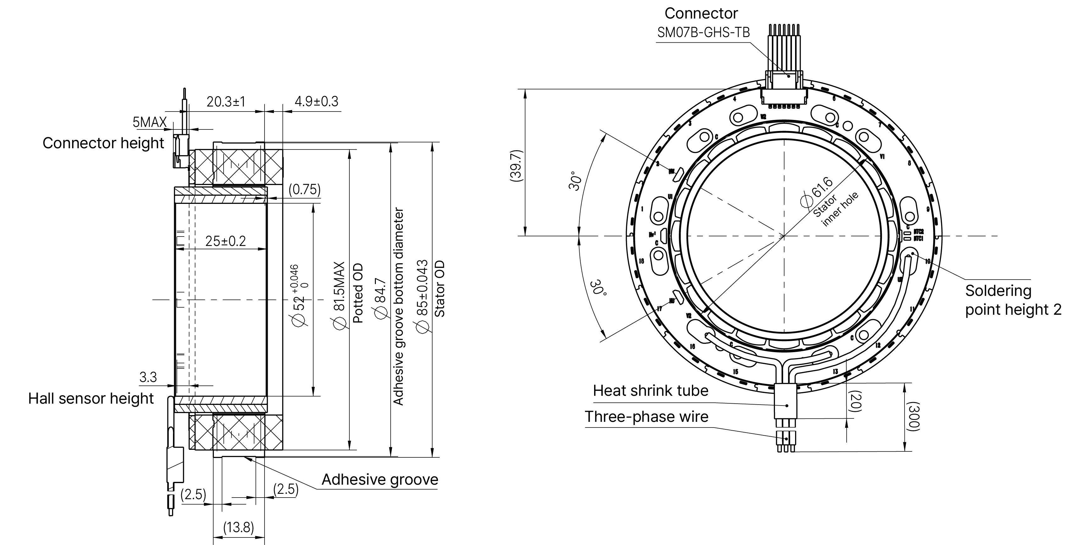
| モータ型番 | - | 85ZWC25X-1 | 85ZWC35X-1 | |
|---|---|---|---|---|
| ステータ外径 | mm | 85±0.043 | 85±0.043 | |
| ロータ内径 | mm | 52+0.046 | 52+0.046 | |
| 全長 (L) | mm | 20.3 | 30.1 | |
| 積層厚さ (L1) | mm | 13.8 | 23.6 | |
| ロータ長さ (L2) | mm | 25±0.2 | 35±0.2 | |
| スロット数 | - | 18 | 18 | |
| ポールペア | - | 10 | 10 | |
| 相間抵抗 | Ω | 0.14 | 0.06 | |
| 相間インダクタンス | mH | 0.34 | 0.12 | |
| 巻線接続 | - | スター結線 | スター結線 | |
| 絶縁クラス | - | F | F | |
| Duty種別 | - | S2 | S2 | |
| フィードバック方式 | - | ホールセンサ | ホールセンサ | |
| 整流角度 | - | 120° | 120° | |
| 絶縁耐圧 | - | 500VAC/1mA/1s | 500VAC/1mA/1s | |
| 絶縁抵抗 | - | 100MΩ/500VDC | 100MΩ/500VDC | |
| ステータ重量 | g | 315 | 460 | |
| ロータ重量 | g | 135 | 189 | |
| 無負荷回転数 | RPM | 3650 | 4700 | |
| 無負荷電流 | A | 0.6(REF) | 2.4(REF) | |
| 定格電圧 | VDC | 48 | 48 | |
| 定格出力 | W | 422 | 827 | |
| 定格トルク | N·m | 1.3 | 2 | |
| 定格回転数 | RPM | 3100 | 3950 | |
| 定格電流 | A | 10.3 | 20.6 | |
| トルク定数 | Nm/A | 0.16 | 0.117 | |
| Back-EMF定数 / 実効値 | Vrms/Krpm | 9.7 | 8.66 | |
| 最大トルク (peak) | N·m | 3.9 | 6 | |
| 最大電流 (peak) | A | 27 | 62 | |
| ロータ慣性 | g·cm² | 1086 | 1520 | |
In a mobile environment, you can move left and right to see the contents (tables).
| リードアウトタイプ | リードアウト色 | 機能 | |
|---|---|---|---|
| UL1332 AWG16 | 黄色 | U相 | |
| 赤色 | V相 | ||
| 黒色 | W相 | ||
